1、概述
1、简介
DMA(Direct Memory Access)直接存储器存取,DMA外设可以直接访问STM32内部存储器的,比如运行内存SRAM,程序存储器flash和寄存器等。
DMA可以提供外设和存储器或者存储器(SRAM、flash)和存储器之间的高速数据传输,无须CPU干预,节省了CPU的资源
12个独立可配置的通道: DMA1(7个通道), DMA2(5个通道)(通道:数据转运的路径)
每个通道都支持软件触发和特定的硬件触发(存储器到存储器一般用软件触发,而外设到存储器一般要硬件触发,因为外设不是一直转运而要有一定的时机,比如AD转运时要等AD转换完成后再通过硬件触发)(特定意识是,你使用不同的硬件触发源对应的通道是不一样的,比如DA触发有对应的通道与之相对应)
STM32F103C8T6 DMA资源:DMA1(7个通道)
2、存储器映像

- ROM:只读存储器,掉电不丢失
- RAM:随机存储器,掉电丢失
- RAM中,运行内存SRAM就是我们定义变量、数组、结构体的地方
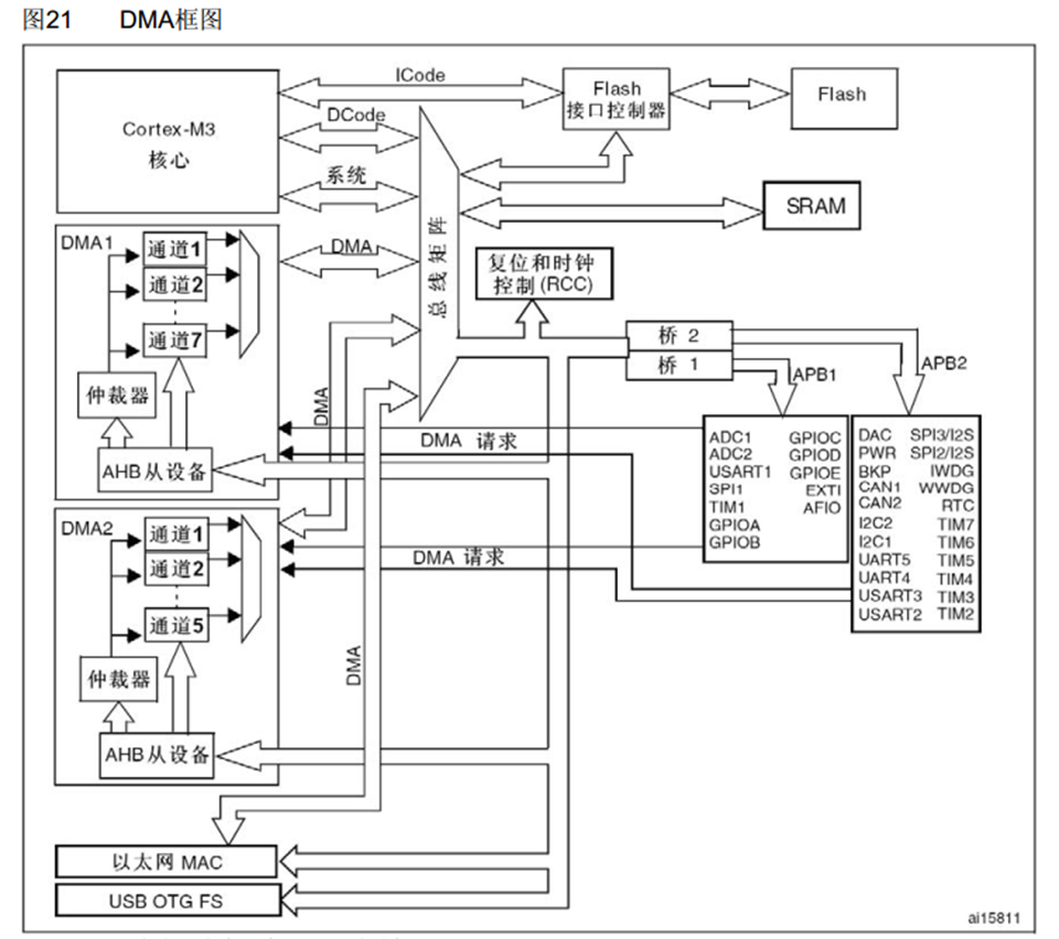
3、DMA框图

- M3内核是CPU,其他的都可以看作存储器,其中flash是主闪存,SRAM是运行内存,其他外设都可以看作寄存器,也就是一种SRAM的存储器(寄存器可以看作一种特殊的存储器,cpu可以对其进行读写,并且每个寄存器都可以控制外设电路状态,所以寄存器是连接软件和硬件的桥梁,软件读写寄存器就相当于控制硬件的执行)
- 所以DMA转运可以简单归于,从某个地址取内容,再放到另一个地址
- 为了高效的访问,设置了矩阵总线,总线左边是主动单元,拥有存储器的访问权,右边这些是被动单元,只能被左边主动单元读写。
- DCode总线专门用于访问Flash,系统总线是用于访问其他东西的
- DMA1和DMA2也都有对应的总线
- 仲裁器:在通道使用发生冲突时,根据优先级决定使用的先后
- AHB从设备,时DMA自身的寄存器,连接到AHB上,所以DMA即是主动单元又是被动单元
- DMA请求:DMA硬件触发源
- Flash只能读,不能把DMA转运地址设为Flash地址,不能写(只用配置Flash接口控制器对其进行写入)
4、DMA基本结构图

注意DMA时,只能从Flash中读出,不能往Falsh写入
起始地址:有外设端金和存储器端,决定数据从哪里来到哪里去
数据宽度:指定一次转运要按多大数据宽度进行转运,(字节Byte(8位uint8_t)、半字HalfWord(16位uint16_t)、字Word(32位uint2_t))
地址是否自增:为一次转运完成后,下一次转运地址是否要移到下一个位置上(一般发射端寄存器不用自增,否者下次就跑到别的寄存器了。接收端存储器,需要自增每转运一个数据后往后挪一下,防止数据被覆盖)
外设寄存器不一定只能存外设的地址,Flash和SRAM地址都能写,只与地址有关,与名字无关
传输计数器:用于设置转运几次的,是一个自减计数器,每转运1次减1,到0时DMA不在进行数据转运,并且自增的地址也会恢复到起始地址
自动重装器:计数器减0后是否自动回到初值再次开始。(不重装就是单次模式,重装就是循环模式)
最下面的时触发控制,有M2M参数控制软件触发还是硬件触发
这里的软件触发与以往软件触发(调用某个函数就触发一次)不同,这个是以最快的速度,连续不断的触发DMA,最快速度把传输计数器清零
软件触发和循环模式不能同时使用,否者DMA停不下来
软件触发一般是,存储器到存储器,而硬件触发时ADC、串口、定时器等等(一般与外设有关,有一定时机)
开关控制:就是使能
传输计数器写值时必须先关闭DMA再写入
5、其他
1、DMA请求

- 每个通道的硬件触发源不同,若使用某个硬件触发源,一定要通过上图找到对应的通道
- 若是软件触发,就可以随意选择通道
- 每个通道都有多个触发源,如何确定使用哪一个触发源呢?取决于你把哪个外设DMA开启了(CMD),若多个都开启了,由于是个或门,多个都可以进行触发。
- 然后优先级判断
2、数据宽度与对齐

- 若数据宽度一样,就一个一个对应转运。例如:表中的8-8、16-16、32-32
- 若目标宽度比源端宽度大,就在目标宽度前面补0。(高位补0)例如:表中的8-16、8-32、16-32
- 若目标宽度比源端宽度小,一次读多个把高位舍弃。(高位舍弃)例如:表中的16-8、32-8、32-16
3、数据转运+DMA

- 数据宽度:都是8个字节
- 两边都需要自增
- 选择计数器选7,因为是7位
- 这个是存储器到存储器,使用软件触发
- 通道可以任意选择
4、ADC扫描模式+DMA

- 数据宽度:都是16个字节
- AD这边不自增,存储器站点自增
- 选择计数器选7,因为是7位
- 这个是寄存器到存储器,使用硬件触发
- 通道不能任意选择了,要根据图查看对应的
2、代码
1、关于地址
- 通过
&符号获取地址时,要在最前面加一个强制转换(uint32_t)&aa - const相当于常量,被const修饰的变量只能读不能写,在stm32中const修饰的常量存储在flash中
const uint8_t aa = 0x06; - 创建的普通变量在运行内存SRAM中
uint8_t aa = 0x06; - 对于不会改变的大数组可以在前面加const放在flash中,节约SRAM内存
- 外设寄存器地址是固定的,也可以直接取地址查看
(uint32_t)&ADC1->DR手册可以查看
2、相关函数
1、全部
//恢复加载配置
void DMA_DeInit(DMA_Channel_TypeDef* DMAy_Channelx);
//初始化
void DMA_Init(DMA_Channel_TypeDef* DMAy_Channelx, DMA_InitTypeDef* DMA_InitStruct);
//结构体初始化
void DMA_StructInit(DMA_InitTypeDef* DMA_InitStruct);
//DMA使能
void DMA_Cmd(DMA_Channel_TypeDef* DMAy_Channelx, FunctionalState NewState);
//中断输出使能
void DMA_ITConfig(DMA_Channel_TypeDef* DMAy_Channelx, uint32_t DMA_IT, FunctionalState NewState);
//DMA设置当前计数据寄存器(给传输计数器写数据)
void DMA_SetCurrDataCounter(DMA_Channel_TypeDef* DMAy_Channelx, uint16_t DataNumber);
**给计数器赋值之前一定先把DMA失能
* @param DMAy_Channelx: where y can be 1 or 2 to select the DMA and (选怎DMA和通道)
* x can be 1 to 7 for DMA1 and 1 to 5 for DMA2 to select the DMA Channel.
* @param DataNumber: The number of data units in the current DMAy Channelx(给计数器赋的值)
* transfer.
//DMA获取当前数据寄存器(返回传输计数器的值,看还有多少位没有转运)
uint16_t DMA_GetCurrDataCounter(DMA_Channel_TypeDef* DMAy_Channelx);
//获取标志位状态
FlagStatus DMA_GetFlagStatus(uint32_t DMAy_FLAG);
**参数,只列举了其中四个其他可以去函数定义查看
* @arg DMA1_FLAG_GL1: DMA1 Channel1 global flag. 全局标志位
* @arg DMA1_FLAG_TC1: DMA1 Channel1 transfer complete flag. 转运完成标志位
* @arg DMA1_FLAG_HT1: DMA1 Channel1 half transfer flag. 转运过半标志位
* @arg DMA1_FLAG_TE1: DMA1 Channel1 transfer error flag. 转运错误标志置位
//清除标志位状态
void DMA_ClearFlag(uint32_t DMAy_FLAG);
**参数和上面DMA_GetFlagStatus参数一样
//获取中断状态
ITStatus DMA_GetITStatus(uint32_t DMAy_IT);
//清除中断挂起位
void DMA_ClearITPendingBit(uint32_t DMAy_IT);2、初始化结构体
DMA_InitTypeDef DMA_InitStructure;
//外设站点的起始地址
DMA_InitStructure.DMA_PeripheralBaseAddr = ;
**这个参数一般不是固定值,通过函数参数传入
//外设站点的数据宽度
DMA_InitStructure.DMA_PeripheralDataSize = ;
**参数
#define DMA_PeripheralDataSize_Byte ((uint32_t)0x00000000) 字节对应的的uint8_t(8位)
#define DMA_PeripheralDataSize_HalfWord ((uint32_t)0x00000100) 半字对应的的uint16_t(16位)
#define DMA_PeripheralDataSize_Word ((uint32_t)0x00000200) 字对应的的uint32_t(32位)
//外设站点的是否自增
DMA_InitStructure.DMA_PeripheralInc = ;
**参数
#define DMA_PeripheralInc_Enable ((uint32_t)0x00000040) 自增
#define DMA_PeripheralInc_Disable ((uint32_t)0x00000000) 不自增
//存储器站点的起始地址
DMA_InitStructure.DMA_MemoryBaseAddr = ;
**这个参数一般不是固定值,通过函数参数传入
//存储器站点的数据宽度
DMA_InitStructure.DMA_MemoryDataSize = ;
**参数:
#define DMA_MemoryDataSize_Byte ((uint32_t)0x00000000) 字节对应的的uint8_t(8位)
#define DMA_MemoryDataSize_HalfWord ((uint32_t)0x00000400) 半字对应的的uint16_t(16位)
#define DMA_MemoryDataSize_Word ((uint32_t)0x00000800) 字对应的的uint32_t(32位)
//存储器站点是否递增
DMA_InitStructure.DMA_MemoryInc = ;
**参数
#define DMA_MemoryInc_Enable ((uint32_t)0x00000080) 自增
#define DMA_MemoryInc_Disable ((uint32_t)0x00000000) 不自增
//传输的方向
DMA_InitStructure.DMA_DIR = ;
**参数
#define DMA_DIR_PeripheralDST ((uint32_t)0x00000010) 外设站点作为目的地(存储器到外设站点)
#define DMA_DIR_PeripheralSRC ((uint32_t)0x00000000) 外设站点作为数据源头(外设站点到存储器)
//缓存区大小(传输计数器)
DMA_InitStructure.DMA_BufferSize = ;
**以数据单元指定缓存区大小,要传输几次0~65535
**一般也是通过函数参数传入
//传输模式(是否自动重装)
DMA_InitStructure.DMA_Mode = ;
**如果在选定的通道上配置了存储器到存储器数据传输,则无法使用循环(自动重装)模式,就是自动从装和软件触发不能同时使用
**参数
#define DMA_Mode_Circular ((uint32_t)0x00000020) 自动重装模式(循环模式)
#define DMA_Mode_Normal ((uint32_t)0x00000000) 正常模式
//是否是存储器到存储器(软件触发还是硬件触发)
DMA_InitStructure.DMA_M2M = ;
**参数
#define DMA_M2M_Enable ((uint32_t)0x00004000) 软件触发
#define DMA_M2M_Disable ((uint32_t)0x00000000) 硬件触发
//优先级(按照参数要求给你一个优先级就行)
DMA_InitStructure.DMA_Priority = ;
**参数
#define DMA_Priority_VeryHigh ((uint32_t)0x00003000) 非常高
#define DMA_Priority_High ((uint32_t)0x00002000) 高
#define DMA_Priority_Medium ((uint32_t)0x00001000) 中等
#define DMA_Priority_Low ((uint32_t)0x00000000) 低3、初始化函数
DMA_Init();
/**
* @brief Initializes the DMAy Channelx according to the specified
* parameters in the DMA_InitStruct.
* @param DMAy_Channelx: where y can be 1 or 2 to select the DMA and
* x can be 1 to 7 for DMA1 and 1 to 5 for DMA2 to select the DMA Channel.
* y选择1或2确认是DMA1还是DMA2;x选择通道,DMA1对应通道1到7,DMA2对应通道1到5
* @param DMA_InitStruct: pointer to a DMA_InitTypeDef structure that
* contains the configuration information for the specified DMA Channel.
* @retval None
*/
void DMA_Init(DMA_Channel_TypeDef* DMAy_Channelx, DMA_InitTypeDef* DMA_InitStruct)4、开启DMA触发信号
void ADC_DMACmd(ADC_TypeDef* ADCx, FunctionalState NewState);3、初始化

1、第一步:RCC开启DMA时钟
2、第二步: 调用DMA——Init初始化参数
3、开关控制 DMA_Cmd
4、注意:要使用的是硬件触发,要记得调用XXX_DMACmd,开启触发信号输出
5、注意:数组名就是地址,就不用再取地址
