TIM定时器
1、概述:
1、简介:
TIM(Timer)定时器,定时器可以对输入的时钟进行计数,并在计数值达到设定值时触发中断
16位计数器、预分频器、自动重装寄存器的时基单元,在72MHz计数时钟下可以实现最大59.65s的定时
不仅具备基本的定时中断功能,而且还包含内外时钟源选择、输入捕获、输出比较、编码器接口、主从触发模式等多种功能
根据复杂度和应用场景分为了高级定时器、通用定时器、基本定时器三种类型
2、分类:
| 类型 | 编号 | 总线 | 功能 |
|---|---|---|---|
| 高级定时器 | TIM1、TIM8 | APB2 | 拥有通用定时器全部功能,并额外具有重复计数器、死区生成、互补输出、刹车输入等功能 |
| 通用定时器 | TIM2、TIM3、TIM4、TIM5 | APB1 | 拥有基本定时器全部功能,并额外具有内外时钟源选择、输入捕获、输出比较、编码器接口、主从触发模式等功能 |
| 基本定时器 | TIM6、TIM7 | APB1 | 拥有定时中断、主模式触发DAC的功能 |
- STM32F103C8T6定时器资源:TIM1、TIM2、TIM3、TIM4
3、原理:
1、基本定时器

- 基本定时器的时钟只能是内部时钟,频率为单片机主频72MHz
- 然后到PSC分频器,若不分频就是72MHz,若二分频就是72 / 2 = 36MHz, 若三分频就是72 / 3= 24MHz。而且(实际分频系数 = 预分频器的值 + 1)比如:PSC = 1,就是2分频。最大可以65536分频。
- CNT为计数器,值可以从0到65535
- 自动重装寄存器:可以写入我们的计数目标。(当计数器值等于自动重装值时,产生中断)
- 图中右下角,UI:代表触发中断,U: 代表进入事件。
- 主模式触发DAC的功能:直接不通过中断触发,通过事件触发,这样可以避免主程序频繁被中断。把更新事件U通过主模式映射到TRGO,然后TRGO直接去触发DAC
2、通用定时器

中间基本结构与基本定时器一样。
通用计数器的计数模式不止有向上计数模式(一直往上加)一种了,还有:向下计数模式(从重装值向下减,减到0中断)、中央对齐模式(先向上自增,到重装值,中断,然后再从重装值递减,减到0申请中断)。
上半部分为内外时钟源选择和主从模式触发
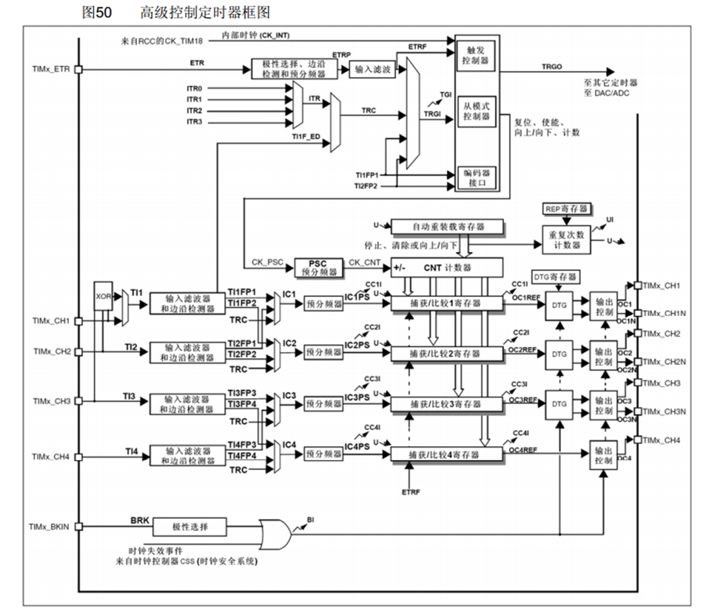
内外时钟源选择:从TIMx_ETR接一个方波时钟,然后再极性选择等,然后输入滤波电路,然后兵分两路:1、直接通过ETRF,通过触发控制器直接到时钟CK,被称为外部时钟模式2。2、通过TRGI,通过从模式控制器当时钟,被称为外部时钟模式1。

ITR0、ITR1这四个都是来自其他定时器,就比如本定时器可以通过TRGO输出
下半部分,右边为输出比较电路,有四个通道对应CH1到CH4,可以用于输出PWM波形和驱动电机
下半部分,左边为输入捕获电路,也是对应CH1到CH4的四个引脚
下半部分,中间为比较电路,由输入捕获和输出比较共同作用,因为他两个不能同时进行,所以他俩共用引脚,和寄存器。
3、高级定时器

- 多一个重复次数计数器,可以实现每隔几个周期进行一次中断或事件

4、预分频器时序

- 计数器计数频率:CK_CNT = CK_PSC / (PSC + 1)
- 防止分频器更新造成错误,设计了缓冲寄存器,即这个中断周期运行完,下一个周期分频器才发生改变
- 缓冲寄存器可以根据需求自己选择是否开关
5、计数器时序图

- 产生中断后,手动复位中断更行标志位
- 计数器溢出频率(每个中断周期分之一):CK_CNT_OV = CK_CNT / (ARR + 1) = CK_PSC / (PSC + 1) / (ARR + 1) (ARR是自动重装载值)
- 其中更新中断标志时也有缓冲寄存器(即这个中断周期运行完,下一个周期分频器才发生改变),也可以自己设置开关
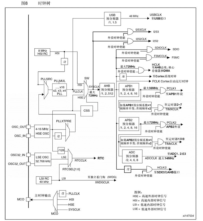
6、RCC时钟树

- 左边是时钟的产生电路,右边是时钟的分配电路
2、相关函数
1、关于Time的全部函数:
void TIM_DeInit(TIM_TypeDef* TIMx);//回复缺省配置
void TIM_TimeBaseInit(TIM_TypeDef* TIMx, TIM_TimeBaseInitTypeDef* TIM_TimeBaseInitStruct);//时基单元初始化,用来配置上图的时基单元的(重要)
void TIM_TimeBaseStructInit(TIM_TimeBaseInitTypeDef* TIM_TimeBaseInitStruct);//对结构体变量赋默认值
void TIM_Cmd(TIM_TypeDef* TIMx, FunctionalState NewState);//使能计数器
void TIM_ITConfig(TIM_TypeDef* TIMx, uint16_t TIM_IT, FunctionalState NewState);//使能中断输出信号
//时钟选择部分:
void TIM_InternalClockConfig(TIM_TypeDef* TIMx);//选择内部时钟(不写默认也是选择内部时钟,不写也行)
void TIM_ITRxExternalClockConfig(TIM_TypeDef* TIMx, uint16_t TIM_InputTriggerSource);//选择ITR其他定时器的时钟
void TIM_TIxExternalClockConfig(TIM_TypeDef* TIMx, uint16_t TIM_TIxExternalCLKSource,uint16_t TIM_ICPolarity, uint16_t ICFilter);//选择TIX其他定时器的时钟(参数:TIMx ; 具体输入的引脚; 输入的极性; 输入的滤波器)
void TIM_ETRClockMode1Config(TIM_TypeDef* TIMx, uint16_t TIM_ExtTRGPrescaler, uint16_t TIM_ExtTRGPolarity,uint16_t ExtTRGFilter);//选择ETR通过外部时钟模式1输入的时钟(参数:TIMx ;外部触发预分频器;输入的极性; 输入的滤波器)
void TIM_ETRClockMode2Config(TIM_TypeDef* TIMx, uint16_t TIM_ExtTRGPrescaler, uint16_t TIM_ExtTRGPolarity, uint16_t ExtTRGFilter);//选择ETR通过外部时钟模式2输入的时钟(参数:TIMx ;外部触发预分频器;输入的极性; 输入的滤波器)
void TIM_ETRConfig(TIM_TypeDef* TIMx, uint16_t TIM_ExtTRGPrescaler, uint16_t TIM_ExtTRGPolarity, uint16_t ExtTRGFilter);//用于单独来配置ETR引脚的预分频器、极性、滤波器
//其他常用的函数
void TIM_PrescalerConfig(TIM_TypeDef* TIMx, uint16_t Prescaler, uint16_t TIM_PSCReloadMode);//单独配置预分频值 Prescaler:要写入的预分频值 TIM_PSCReloadMode:写入的模式(是否使用缓冲器)
void TIM_CounterModeConfig(TIM_TypeDef* TIMx, uint16_t TIM_CounterMode);//用来改变计数器的计数模式
void TIM_ARRPreloadConfig(TIM_TypeDef* TIMx, FunctionalState NewState);//自动重装器预装功能配置(选择有预装还是无预装)NewState:Enable/DisEnable
void TIM_SetCounter(TIM_TypeDef* TIMx, uint16_t Counter);//给计数器写入一个值
void TIM_SetAutoreload(TIM_TypeDef* TIMx, uint16_t Autoreload);//设置自动重装值
uint16_t TIM_GetCounter(TIM_TypeDef* TIMx);//获取当前计数器的值
uint16_t TIM_GetPrescaler(TIM_TypeDef* TIMx);//获取当前预分频器的值
FlagStatus TIM_GetFlagStatus(TIM_TypeDef* TIMx, uint16_t TIM_FLAG);//获取标志位
void TIM_ClearFlag(TIM_TypeDef* TIMx, uint16_t TIM_FLAG);//清除标志位
ITStatus TIM_GetITStatus(TIM_TypeDef* TIMx, uint16_t TIM_IT);//在中断获取标志位
void TIM_ClearITPendingBit(TIM_TypeDef* TIMx, uint16_t TIM_IT);//在中断清除标志位2、时基单元初始化结构体
1、TIM_ClockDivision
//Specifies the clock division.指定时钟分频和PSC预分频器不同,他用于滤波器时钟的分频设置
#define TIM_CKD_DIV1 ((uint16_t)0x0000) //1分频(不分频)
#define TIM_CKD_DIV2 ((uint16_t)0x0100) //2分频
#define TIM_CKD_DIV4 ((uint16_t)0x0200) //4分频2、TIM_CounterMode
#define TIM_CounterMode_Up ((uint16_t)0x0000) //向上计数
#define TIM_CounterMode_Down ((uint16_t)0x0010) //向下计数
#define TIM_CounterMode_CenterAligned1 ((uint16_t)0x0020) //中央对齐
#define TIM_CounterMode_CenterAligned2 ((uint16_t)0x0040) //中央对齐
#define TIM_CounterMode_CenterAligned3 ((uint16_t)0x0060) //中央对齐3、TIM_Period
//ARR的自动重装值4、TIM_Prescaler
//PSC预分频器的值5、TIM_RepetitionCounter
//重复计数器的值,高级计时器才有,通用定时器不用,给06、计算ARR和PSC
CK_CNT_OV = CK_PSC / (PSC + 1) / (ARR + 1) = 72MHz / (PSC + 1) / (ARR + 1)
1MHz = 1000000Hz
若:定时为1s,则 ARR = 10000 - 1; PSC = 7200 + 1
注意:ARR和PSC值为0到65535
计算的到的是频率,单位是HZ,化成时间是 1/频率3、使能中断函数
/**
* @brief Enables or disables the specified TIM interrupts.
* @param TIMx: where x can be 1 to 17 to select the TIMx peripheral.
* @param TIM_IT: specifies the TIM interrupts sources to be enabled or disabled.
* This parameter can be any combination of the following values:
* @arg TIM_IT_Update: TIM update Interrupt source
* @arg TIM_IT_CC1: TIM Capture Compare 1 Interrupt source
* @arg TIM_IT_CC2: TIM Capture Compare 2 Interrupt source
* @arg TIM_IT_CC3: TIM Capture Compare 3 Interrupt source
* @arg TIM_IT_CC4: TIM Capture Compare 4 Interrupt source
* @arg TIM_IT_COM: TIM Commutation Interrupt source
* @arg TIM_IT_Trigger: TIM Trigger Interrupt source
* @arg TIM_IT_Break: TIM Break Interrupt source
* @note
* - TIM6 and TIM7 can only generate an update interrupt.
* - TIM9, TIM12 and TIM15 can have only TIM_IT_Update, TIM_IT_CC1,
* TIM_IT_CC2 or TIM_IT_Trigger.
* - TIM10, TIM11, TIM13, TIM14, TIM16 and TIM17 can have TIM_IT_Update or TIM_IT_CC1.
* - TIM_IT_Break is used only with TIM1, TIM8 and TIM15.
* - TIM_IT_COM is used only with TIM1, TIM8, TIM15, TIM16 and TIM17.
* @param NewState: new state of the TIM interrupts.
* This parameter can be: ENABLE or DISABLE.
* @retval None
*/
void TIM_ITConfig(TIM_TypeDef* TIMx, uint16_t TIM_IT, FunctionalState NewState)3、代码
1、定时器定时中断
主要根据下图配置:

1、RCC开启时钟:
RCC_APB1PeriphClockCmd(RCC_APB1Periph_TIM2,ENABLE);2、选着时基单元的时钟源:
(定时中断选着内部时钟源)
TIM_InternalClockConfig(TIM2);3、配置时基单元:
TIM_TimeBaseInitTypeDef TIM_TimeBaseInitStructure;
TIM_TimeBaseInitStructure.TIM_ClockDivision = TIM_CKD_DIV1;
TIM_TimeBaseInitStructure.TIM_CounterMode = TIM_CounterMode_Up;
TIM_TimeBaseInitStructure.TIM_Period = 10000 - 1;
TIM_TimeBaseInitStructure.TIM_Prescaler = 7200 - 1;
TIM_TimeBaseInitStructure.TIM_RepetitionCounter = 0;
TIM_TimeBaseInit(TIM2,&TIM_TimeBaseInitStructure);4、配置输出中断控制:
允许更新中断输出到NVIC,也就是使能中断
TIM_ITConfig(TIM2,TIM_IT_Update,ENABLE);5、配置NVIC:
在NVIC中打开定时器中断的通道,并分配一个优先级。
NVIC_PriorityGroupConfig(NVIC_PriorityGroup_2);
NVIC_InitTypeDef NVIC_InitStructure;
NVIC_InitStructure.NVIC_IRQChannel = TIM2_IRQn;
NVIC_InitStructure.NVIC_IRQChannelCmd = ENABLE;
NVIC_InitStructure.NVIC_IRQChannelPreemptionPriority = 1;
NVIC_InitStructure.NVIC_IRQChannelSubPriority = 1;
NVIC_Init(&NVIC_InitStructure);6、运行控制:
(使能定时器)
TIM_Cmd(TIM2,ENABLE);7、写中断函数:
void TIM2_IRQHandler(void)
{
if(TIM_GetITStatus(TIM2,TIM_IT_Update) == SET)
{
TIM_ClearITPendingBit(TIM2,TIM_IT_Update);
}
}2、定时器外部中断
选择外部定时器模式2
/**
* @brief Configures the External clock Mode2
* @param TIMx: where x can be 1, 2, 3, 4, 5 or 8 to select the TIM peripheral.
* @param TIM_ExtTRGPrescaler: The external Trigger Prescaler.
* This parameter can be one of the following values:外部触发预分频器,我们不用这个分频
* @arg TIM_ExtTRGPSC_OFF: ETRP Prescaler OFF.不分频
* @arg TIM_ExtTRGPSC_DIV2: ETRP frequency divided by 2.
* @arg TIM_ExtTRGPSC_DIV4: ETRP frequency divided by 4.
* @arg TIM_ExtTRGPSC_DIV8: ETRP frequency divided by 8.
* @param TIM_ExtTRGPolarity: The external Trigger Polarity.
* This parameter can be one of the following values:
* @arg TIM_ExtTRGPolarity_Inverted: active low or falling edge active.低电平或下降沿有效
* @arg TIM_ExtTRGPolarity_NonInverted: active high or rising edge active.高电平或上升沿有效
* @param ExtTRGFilter: External Trigger Filter.
* This parameter must be a value between 0x00 and 0x0F 外部触发滤波器,值为0x00 到0x0F(不用设置为0x00)
* @retval None
*/
void TIM_ETRClockMode2Config(TIM_TypeDef* TIMx, uint16_t TIM_ExtTRGPrescaler,
uint16_t TIM_ExtTRGPolarity, uint16_t ExtTRGFilter)输出比较模块
1、概述:
1、简介:
OC(Output Compare)输出比较,输出比较可以通过比较CNT与CCR寄存器值的关系,来对输出电平进行置1、置0或翻转的操作,用于输出一定频率和占空比的PWM波形
每个高级定时器和通用定时器都拥有4个输出比较通道
高级定时器的前3个通道额外拥有死区生成和互补输出的功能
2、原理:
1、输出比较通道(通用):

- CNT和CCR1比较后,控制oc1ref(参考信号)的高低电平
- 然后oc1ref可以到主模式里,但是不常用,经常走下面这一路
- 通过控制CC1P控制信号是否取反(极性选择)
- 然后到输出使能电路,控制是否输出
- 最后由OC1引脚输出,也就是CH1,要去引脚定义表看是哪个GPIO
2、输出比较模式:
| 模式 | 描述 |
|---|---|
| 冻结 | CNT=CCR时,REF保持为原状态 |
| 匹配时置有效电平 | CNT=CCR时,REF置有效电平 |
| 匹配时置无效电平 | CNT=CCR时,REF置无效电平 |
| 匹配时电平翻转 | CNT=CCR时,REF电平翻转 |
| 强制为无效电平 | CNT与CCR无效,REF强制为无效电平 |
| 强制为有效电平 | CNT与CCR无效,REF强制为有效电平 |
| PWM模式1 | 向上计数:CNT<CCR时,REF置有效电平,CNT≥CCR时,REF置无效电平 向下计数:CNT>CCR时,REF置无效电平,CNT≤CCR时,REF置有效电平 |
| PWM模式2 | 向上计数:CNT<CCR时,REF置无效电平,CNT≥CCR时,REF置有效电平 向下计数:CNT>CCR时,REF置有效电平,CNT≤CCR时,REF置无效电平 |
2、PWM
1、简介:
PWM(Pulse Width Modulation)脉冲宽度调制
在具有惯性的系统中,可以通过对一系列脉冲的宽度进行调制,来等效地获得所需要的模拟参量,常应用于电机控速等领域
PWM参数: 频率 = 1 / TS 占空比 = TON / TS 分辨率 = 占空比变化步距
2、PWM基本结构:


3、参数计算:
黄线:ARR(进入中断的数),红线:CCR(比较时用的数),PSC为设置的预分频器系数
PWM频率: Freq = CK_PSC / (PSC + 1) / (ARR + 1)(和计数器更新频率相同)
PWM占空比: Duty = CCR / (ARR + 1) (这里时CNT=CCR时即为无效电平,所以CCR不用加1,因为从零开始,ARR要加1)
PWM分辨率: Reso = 1 / (ARR + 1)
3、其他原件
1、舵机
舵机是一种根据输入PWM信号占空比来控制输出角度的装置
输入PWM信号要求:周期为20ms,高电平宽度为0.5ms~2.5ms


2、直流电机及驱动
直流电机是一种将电能转换为机械能的装置,有两个电极,当电极正接时,电机正转,当电极反接时,电机反转
直流电机属于大功率器件,GPIO口无法直接驱动,需要配合电机驱动电路来操作
TB6612是一款双路H桥型的直流电机驱动芯片,可以驱动两个直流电机并且控制其转速和方向


4、代码
1、常用函数:
//通过结构体配置输出比较单元(重要)
void TIM_OC1Init(TIM_TypeDef* TIMx, TIM_OCInitTypeDef* TIM_OCInitStruct);
void TIM_OC2Init(TIM_TypeDef* TIMx, TIM_OCInitTypeDef* TIM_OCInitStruct);
void TIM_OC3Init(TIM_TypeDef* TIMx, TIM_OCInitTypeDef* TIM_OCInitStruct);
void TIM_OC4Init(TIM_TypeDef* TIMx, TIM_OCInitTypeDef* TIM_OCInitStruct);
void TIM_OCStructInit(TIM_OCInitTypeDef* TIM_OCInitStruct);//给输出比较赋默认值,先赋初始值就算用不到也可避免突然用的而没有值的错误
//配置强制输出模式(强制输出高电平或低电平)(了解,不常用)
void TIM_ForcedOC1Config(TIM_TypeDef* TIMx, uint16_t TIM_ForcedAction);
void TIM_ForcedOC2Config(TIM_TypeDef* TIMx, uint16_t TIM_ForcedAction);
void TIM_ForcedOC3Config(TIM_TypeDef* TIMx, uint16_t TIM_ForcedAction);
void TIM_ForcedOC4Config(TIM_TypeDef* TIMx, uint16_t TIM_ForcedAction);
//配置CCR寄存器的预装功能(即可以配置事件之后再生效)(了解,不常用)
void TIM_OC1PreloadConfig(TIM_TypeDef* TIMx, uint16_t TIM_OCPreload);
void TIM_OC2PreloadConfig(TIM_TypeDef* TIMx, uint16_t TIM_OCPreload);
void TIM_OC3PreloadConfig(TIM_TypeDef* TIMx, uint16_t TIM_OCPreload);
void TIM_OC4PreloadConfig(TIM_TypeDef* TIMx, uint16_t TIM_OCPreload);
//配置快速使能(了解,不常用)
void TIM_OC1FastConfig(TIM_TypeDef* TIMx, uint16_t TIM_OCFast);
void TIM_OC2FastConfig(TIM_TypeDef* TIMx, uint16_t TIM_OCFast);
void TIM_OC3FastConfig(TIM_TypeDef* TIMx, uint16_t TIM_OCFast);
void TIM_OC4FastConfig(TIM_TypeDef* TIMx, uint16_t TIM_OCFast);
//(了解,不常用)
void TIM_ClearOC1Ref(TIM_TypeDef* TIMx, uint16_t TIM_OCClear);
void TIM_ClearOC2Ref(TIM_TypeDef* TIMx, uint16_t TIM_OCClear);
void TIM_ClearOC3Ref(TIM_TypeDef* TIMx, uint16_t TIM_OCClear);
void TIM_ClearOC4Ref(TIM_TypeDef* TIMx, uint16_t TIM_OCClear);
//用于单独设置输出比较的极性(带N的时高级定时器里互补通道的函数)(在通过结构体初始化时也能设置极性)
void TIM_OC1PolarityConfig(TIM_TypeDef* TIMx, uint16_t TIM_OCPolarity);
void TIM_OC1NPolarityConfig(TIM_TypeDef* TIMx, uint16_t TIM_OCNPolarity);
void TIM_OC2PolarityConfig(TIM_TypeDef* TIMx, uint16_t TIM_OCPolarity);
void TIM_OC2NPolarityConfig(TIM_TypeDef* TIMx, uint16_t TIM_OCNPolarity);
void TIM_OC3PolarityConfig(TIM_TypeDef* TIMx, uint16_t TIM_OCPolarity);
void TIM_OC3NPolarityConfig(TIM_TypeDef* TIMx, uint16_t TIM_OCNPolarity);
void TIM_OC4PolarityConfig(TIM_TypeDef* TIMx, uint16_t TIM_OCPolarity);
//单独修改输出使能参数的
void TIM_CCxCmd(TIM_TypeDef* TIMx, uint16_t TIM_Channel, uint16_t TIM_CCx);
void TIM_CCxNCmd(TIM_TypeDef* TIMx, uint16_t TIM_Channel, uint16_t TIM_CCxN);
//选择输出比较模式
void TIM_SelectOCxM(TIM_TypeDef* TIMx, uint16_t TIM_Channel, uint16_t TIM_OCMode);
//用于更改CCR寄存器值的函数
void TIM_SetCompare1(TIM_TypeDef* TIMx, uint16_t Compare1);
void TIM_SetCompare2(TIM_TypeDef* TIMx, uint16_t Compare2);
void TIM_SetCompare3(TIM_TypeDef* TIMx, uint16_t Compare3);
void TIM_SetCompare4(TIM_TypeDef* TIMx, uint16_t Compare4);TIM_OCInitTypeDef结构体
TIM_OCInitTypeDef TIM_OCInitStructure;
//加一句初始值
void TIM_OCStructInit(TIM_OCInitTypeDef* TIM_OCInitStruct);//给输出比较赋默认值,先赋初始值就算用不到也可避免突然用的而没有值的错误TIM_OCMode
//输出比较模式
#define TIM_OCMode_Timing ((uint16_t)0x0000)冻结模式
#define TIM_OCMode_Active ((uint16_t)0x0010)相等时置有效电平
#define TIM_OCMode_Inactive ((uint16_t)0x0020)相等时置无效电平
#define TIM_OCMode_Toggle ((uint16_t)0x0030)相等时电平翻转
#define TIM_OCMode_PWM1 ((uint16_t)0x0060)
#define TIM_OCMode_PWM2 ((uint16_t)0x0070)TIM_OCPolarity
//设置输出比较的极性
#define TIM_OCPolarity_High ((uint16_t)0x0000)不反转
#define TIM_OCPolarity_Low ((uint16_t)0x0002)反转TIM_OutputState
//设置输出比较的使能
#define TIM_OutputState_Disable ((uint16_t)0x0000)失能
#define TIM_OutputState_Enable ((uint16_t)0x0001)使能TIM_Pulse
//设置CCR值
参数为0x0000 到 0xFFFF其他那几的都是不常用的,带N的都是高级定时器互补通道的函数
2、步骤:
1、RCC开启时钟:
把TIM外设和GPIO外设的时钟打开
2、配置时基单元
不需要打开中断(中断使能),也不再需要NVIC配置,但需要保留启动定时器
3、配置输出比较单元
包括:CCR的值、输出比较模式、极性选择、输出使能
4、配置GPIO

- 引脚对应关系对应
- 重定义功能那一栏有的可以通过AFIO完成
把GPIO对应的GPIO初始化为复用推挽输出,为社么使用复用推挽输出?普通的开漏和推挽输出,引脚的控制权来于输出数据寄存器,而使用复用开漏、推挽就由定时器控制了
3、LED呼吸灯
PWM.c
#include "stm32f10x.h" // Device header
void PWM_Init(void)
{
//1、RCC开启时钟:
//把TIM外设和GPIO外设的时钟打开
RCC_APB1PeriphClockCmd(RCC_APB1Periph_TIM2,ENABLE);
//2、配置时基单元
TIM_InternalClockConfig(TIM2);
TIM_TimeBaseInitTypeDef TIM_TimeBaseInitStructure;
TIM_TimeBaseInitStructure.TIM_ClockDivision = TIM_CKD_DIV1;
TIM_TimeBaseInitStructure.TIM_CounterMode = TIM_CounterMode_Up;
TIM_TimeBaseInitStructure.TIM_Period = 100-1;//ARR
TIM_TimeBaseInitStructure.TIM_Prescaler = 720-1;//PSC
TIM_TimeBaseInitStructure.TIM_RepetitionCounter = 0;
TIM_TimeBaseInit(TIM2,&TIM_TimeBaseInitStructure);
TIM_OCInitTypeDef TIM_OCInitStructure;
//先赋初始值就算用不到也可避免突然用的而没有值的错误
TIM_OCStructInit(&TIM_OCInitStructure);
//然后更改需要用的值
TIM_OCInitStructure.TIM_OCMode = TIM_OCMode_PWM1;
TIM_OCInitStructure.TIM_OCPolarity = TIM_OCPolarity_High;
TIM_OCInitStructure.TIM_OutputState = TIM_OutputState_Enable ;
TIM_OCInitStructure.TIM_Pulse = 0; //CCR
TIM_OC1Init(TIM2,&TIM_OCInitStructure);
//3、配置输出比较单元
//包括:CCR的值、输出比较模式、极性选择、输出使能
// 4、配置GPIO
//把GPIO对应的GPIO初始化为复用推挽输出
RCC_APB2PeriphClockCmd(RCC_APB2Periph_GPIOA,ENABLE);
GPIO_InitTypeDef GPIO_InitStructure;
GPIO_InitStructure.GPIO_Mode = GPIO_Mode_AF_PP;
GPIO_InitStructure.GPIO_Pin = GPIO_Pin_0;
GPIO_InitStructure.GPIO_Speed = GPIO_Speed_50MHz;
GPIO_Init(GPIOA, &GPIO_InitStructure);
TIM_Cmd(TIM2,ENABLE);
}
void PWM_SetCompare1(uint16_t Compare)
{
TIM_SetCompare1(TIM2,Compare);
}main.c
#include "stm32f10x.h" // Device header
#include "Delay.h"
#include "OLED.h"
#include "PWM.h"
uint16_t i;
int main(void)
{
PWM_Init();
OLED_Init();
OLED_ShowString(1,3,"HelloWorld!");
while (1)
{
for(i = 0; i<= 100; i++)
{
PWM_SetCompare1(i);
Delay_ms(10);
}
for(i = 0; i<= 100; i++)
{
PWM_SetCompare1(100 - i);
Delay_ms(10);
}
}
}端口重映射:
案例,由引脚表可以看出TIM2_CH1默认在PA0上,可以重映射到PA15上
//重映射要使用AFIO,先开启AFIO时钟
RCC_APB2PeriphClockCmd(RCC_APB2Periph_AFIO,ENABLE);
//重定义函数
GPIO_PinRemapConfig(GPIO_PartialRemap1_TIM2,ENABLE);
//PA15上电已经默认为调试端口JTDI,若当作普通GPIO要先关闭调试端口的复用
//解除调试端口
GPIO_PinRemapConfig(GPIO_Remap_SWJ_JTAGDisable,ENABLE);//引脚重定义函数
void GPIO_PinRemapConfig(uint32_t GPIO_Remap, FunctionalState NewState);
//参数1,选择重定义的方式
//此次方式1即可,部分重映射,部分包括CH1的PA15和CH2的PB3即为:GPIO_PartialRemap1_TIM2
//SWJ是SWD和JTAG两种调试方式,不要乱用,用了容易把STlink下载不能使用
* @arg GPIO_Remap_SWJ_NoJTRST : Full SWJ Enabled (JTAG-DP + SW-DP) but without JTRST 解除JTRST引脚复用 PA13、PA14
* @arg GPIO_Remap_SWJ_JTAGDisable : JTAG-DP Disabled and SW-DP Enabled 解除JTAG引脚复用PA15、PB3、PB4
* @arg GPIO_Remap_SWJ_Disable : Full SWJ Disabled (JTAG-DP + SW-DP) 把SWD和JTAG引脚全部解除 PA13、PA14、PA15、PB3、PB4
重映射方式可通过手册查看

4、PWM驱动舵机
ARR:20k - 1 ; PSC: 72 - 1 ;周期为20ms ;CCR为1对应0.001
输入捕获
void TIM_ICInit(TIM_TypeDef* TIMx, TIM_ICInitTypeDef* TIM_ICInitStruct);//结构体初始化输入捕获,只能配置一个通道
void TIM_PWMIConfig(TIM_TypeDef* TIMx, TIM_ICInitTypeDef* TIM_ICInitStruct);//结构体初始化输入捕获,但是可以快速配置两个通道
void TIM_ICStructInit(TIM_ICInitTypeDef* TIM_ICInitStruct);//给输入捕获结构体赋初始值
void TIM_SelectInputTrigger(TIM_TypeDef* TIMx, uint16_t TIM_InputTriggerSource);//选择输入触发源
void TIM_SelectOutputTrigger(TIM_TypeDef* TIMx, uint16_t TIM_TRGOSource);//选择输出触发源TRGO
void TIM_SelectSlaveMode(TIM_TypeDef* TIMx, uint16_t TIM_SlaveMode);//选择从模式
//分别单独配置通道1、2、3、4的分频器
void TIM_SetIC1Prescaler(TIM_TypeDef* TIMx, uint16_t TIM_ICPSC);
void TIM_SetIC2Prescaler(TIM_TypeDef* TIMx, uint16_t TIM_ICPSC);
void TIM_SetIC3Prescaler(TIM_TypeDef* TIMx, uint16_t TIM_ICPSC);
void TIM_SetIC4Prescaler(TIM_TypeDef* TIMx, uint16_t TIM_ICPSC);
//分别读取四个通道的CCR
uint16_t TIM_GetCapture1(TIM_TypeDef* TIMx);
uint16_t TIM_GetCapture2(TIM_TypeDef* TIMx);
uint16_t TIM_GetCapture3(TIM_TypeDef* TIMx);
uint16_t TIM_GetCapture4(TIM_TypeDef* TIMx);结构体
TIM_Channel 选择通道
#define TIM_Channel_1
#define TIM_Channel_2
#define TIM_Channel_3
#define TIM_Channel_4
TIM_ICPolarity 触发方式
#define TIM_ICPolarity_Rising 上升沿
#define TIM_ICPolarity_Falling 下降沿
#define TIM_ICPolarity_BothEdge 上升沿和下降沿都触发
TIM_ICSelection 触发信号从哪个引脚输入
#define TIM_ICSelection_DirectTI 直连通道输入
#define TIM_ICSelection_IndirectTI 交叉通道输入
#define TIM_ICSelection_TRC 不用
TIM_ICPrescaler 分频器
#define TIM_ICPSC_DIV1 //不分频
#define TIM_ICPSC_DIV2
#define TIM_ICPSC_DIV4
#define TIM_ICPSC_DIV8
TIM_ICFilter//输入捕获滤波器
/*!指定输入捕获过滤器。此参数可以是介于0x0和0xF之间的数字,数越大滤波效果越好 */触发源选择
/**
* @brief Selects the Input Trigger source
* @param TIMx: where x can be 1, 2, 3, 4, 5, 8, 9, 12 or 15 to select the TIM peripheral.
* @param TIM_InputTriggerSource: The Input Trigger source.
* This parameter can be one of the following values:
* @arg TIM_TS_ITR0: Internal Trigger 0
* @arg TIM_TS_ITR1: Internal Trigger 1
* @arg TIM_TS_ITR2: Internal Trigger 2
* @arg TIM_TS_ITR3: Internal Trigger 3
* @arg TIM_TS_TI1F_ED: TI1 Edge Detector
* @arg TIM_TS_TI1FP1: Filtered Timer Input 1
* @arg TIM_TS_TI2FP2: Filtered Timer Input 2
* @arg TIM_TS_ETRF: External Trigger input
* @retval None
*/
void TIM_SelectInputTrigger(TIM_TypeDef* TIMx, uint16_t TIM_InputTriggerSource)
{
uint16_t tmpsmcr = 0;
/* Check the parameters */
assert_param(IS_TIM_LIST6_PERIPH(TIMx));
assert_param(IS_TIM_TRIGGER_SELECTION(TIM_InputTriggerSource));
/* Get the TIMx SMCR register value */
tmpsmcr = TIMx->SMCR;
/* Reset the TS Bits */
tmpsmcr &= (uint16_t)(~((uint16_t)TIM_SMCR_TS));
/* Set the Input Trigger source */
tmpsmcr |= TIM_InputTriggerSource;
/* Write to TIMx SMCR */
TIMx->SMCR = tmpsmcr;
}选择从模式
/**
* @brief Selects the TIMx Slave Mode.
* @param TIMx: where x can be 1, 2, 3, 4, 5, 8, 9, 12 or 15 to select the TIM peripheral.
* @param TIM_SlaveMode: specifies the Timer Slave Mode.
* This parameter can be one of the following values:
* @arg TIM_SlaveMode_Reset: Rising edge of the selected trigger signal (TRGI) re-initializes
* the counter and triggers an update of the registers.
* @arg TIM_SlaveMode_Gated: The counter clock is enabled when the trigger signal (TRGI) is high.
* @arg TIM_SlaveMode_Trigger: The counter starts at a rising edge of the trigger TRGI.
* @arg TIM_SlaveMode_External1: Rising edges of the selected trigger (TRGI) clock the counter.
* @retval None
*/
void TIM_SelectSlaveMode(TIM_TypeDef* TIMx, uint16_t TIM_SlaveMode)